 |
 |
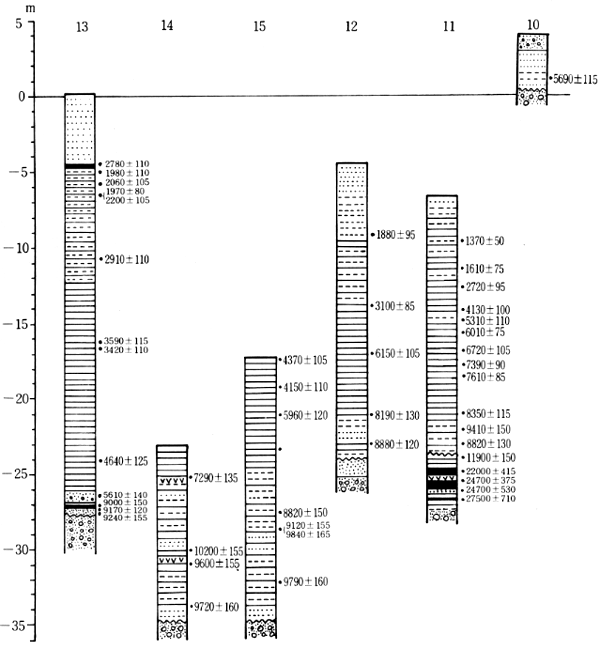
資料:神戸市およびその周辺の地層の14C年代
|

大阪港・港大橋下における大阪湾累層の層序 (前田1977).
|

|
調査位置図 1.高砂市塩田遺跡 2.神戸市玉津環境センター 3.ポートアイランド・ポートピア大橋 4.5.ポートアイランド 6.敏馬神社 7.灘郵便局 8.六甲アイランド 9.西宮市役所 10.尼崎市栗山 11.辰巳橋 12.中島大橋 13.阪急梅田駅 14.15.港大橋
(前田保夫,1980)
|

地質柱状図と14C年代 (1) (前田保夫,1980)
|

地質柱状図と14C年代 (2) (前田保夫,1980)
|